Hier möchte ich meine gesammelten
Erfahrungen und Eindrücken schildern beim Einbau einer originalen Klimaanlage in eine Heckflosse 230S.
Der Wunsch nach einer Klimaanlage in meiner Flosse reifte in mir schon seit längeren. Vor Jahren schon bot Thomas Distler sie als gebrauchte Teile aus den USA in den Benzheimer Flosskeln an. Damals kam von einem Clubmitglied der Einwand diese mit FCKW-haltigen Kühlmittel zu betreibenden Anlagen doch nicht noch öffentlich anzubieten. Die Reaktion war dann die, dass sie nicht mehr in den Benzheimer Flosseken standen, es sie trotzdem aber noch gab.
Heute werden die Anlagen mit dem neuen R134a befüllt und der Umwelt wird genüge getan. Der entgültige
Entschluss mir eine solche Anlage einzubauen kam auf der Fahrt zu dem Info-Treffen 1997. Es war an dem Wochenende sehr warm.
In Ornbau angekommen suchte ich auch sofort Thomas´ Ersatzteillager auf wo ein paar komplette Anlagen
vorhanden waren. Auf den ersten Blick sah alles sehr groß und kompliziert aus. Nach dem ich Thomas und unser Clubmitglied Jürgen Krebs immer wieder mit Fragen zu den Anlagen gelöchert hatte, stellte sich heraus, dass die
damaligen Anlagen gar nicht so Kompliziert waren. Es muss kein zusätzlicher Kabelbaum verlegt wird, da die alten Anlagen keinen Zusatzlüfter hatten und die ganze Elektrik- und Temperaturfühlermimik entfallen. Erleichtern für mich
kam hinzu, dass ich in Ornbau Christian Richlitzki aus Dortmund kennenlernte. Er hatte sich gerade eine Klimaanlage in seinem 230.6 Strich 8 eingebaut und ich konnte mir die ganzen zusätzlichen einbauten im Motorraum ausgiebig betrachten.
Ich bin an diesem Samstag nachmittag bestimmt 20 Mal zwischen Christians /8 und meiner Flosse hin- und hergependelt und habe die Einbausituation immer wieder verglichen.
Nun aber zu den Details.
Im Innenraum werden lediglich der Verdampfer und das zusätzliche Gebläse installiert. Es ist alles in einem Gehäuse
incl. Lüftungsdüsen und Drehknopf für Gebläse sowie Temperaturdrehknopf zusammengefasst. An dem Gehäuse befindet sich hinten links auch noch das Expansionsventil. Für dieses Gehäuse gibt es einen Halter
, der mit Blechschrauben unter dem Armaturenbrett befestigt wird. Der Halter wird auch mit der Schraube für das
Zündschloss befestigt und so ergibt sich die genaue Lage von selbst.
Von diesem Gehäuse im Innenraum gehen lediglich zwei Schläuche und das Kabel für die Magnetkupplung zum Motorraum. Außerdem befindet sich an dem Gehäuse ein Kabel, dass mit der Sicherung 3 zu verbinden ist.(Strom nur bei Zündung an.
Die Pappe unter dem Armaturenbrett muss entsprechend dem Gehäuse ausgeschnitten werden. Außerdem müssen in dem Getriebetunnel nahe der Wasserhähne für die Heizung zwei ca. 13 mm große Löcher gebohrt werden. Hier werden die Kondenswasserablaufschläuche von dem Gehäuse kommend ins Freie geführt.
Nun zum Kältekompressor:
Der Kompressor wurde von mir komplett zerlegt und mit Aceton gründlich gereinigt. Achtung! Sämtliche Verschraubungen und Schrauben sind Zöllig. Für das zerlegen des Kompressors werden aber lediglich zwei verschiedene Zoll-Nüsse benötigt.
Es gab damals zwe
i verschieden Sorten von Kompressoren: Einen Langen runden und einen dicken Sechseckigen.
Für die Flosse wird der Sechseckige benötigt, der übrigens in den Modellen W108, W109, W114, W115, W116 und W123 eingebaut. Falls ein Kompressor schadhaft ist, bestehen also noch genügend
Möglichkeiten zum schrotteln. Neu können diese York-Kompressoren bei Günter Lehmann für kleines Geld gekauft werden. Rückblickend betrachtet ist der Einbau eines neuen Kompressors zu empfehlen.
Den Sechseckigen Kompressor wiederum gab es in symetricher und asymmetrischer Version, was an den Saug- bzw. Druckventil auf den Zylinderkopf des Kompressors zu erkennen ist. Bei dem symmetrischen Kompressor ( siehe Bild oben) liegen sich die beiden Ventile direkt gegenüber, bei den asymmetrischen sind sie leicht versetzt. Dieses ist wichtig bei der Bestellung der zwei neuen Kopfdichtungen. Falls der Kompressor repariert werden soll, werden mind. Folgende Ersatzteile werden benötigt.
Die neuen Kompressoren haben alle ein ¾ Zoll Rohrgewinde für die Ventile. Falls die alte Anlage noch mit
Flanschventilen versehen ist, müssen noch neu Ventile bestellt werden (günstig bei Günter Lehmann). Ich habe meinen neuen Kompressor mit selbst angefertigten Adaptern für die Flanschventile versehen ( siehe Bild oben).
Sämtliche Dichtungen und Dichtringe sind vor dem Einbau mit Kompressoröl zu benetzen. Dieses Öl habe ich bei einem Bosch-Dienst erworben. Die neuen Kompressoren sind allerdings schon mit einer Ölfüllung versehen. Es wird
also nur noch eine geringe Menge zum benetzen der Dichtungen und Verschraubungen benötigt. Wenn auf den neuen Kompressor ein Schild mit der Aufschrift “Esther-Oil” angebracht ist, darf selbstverständlich auch nur Esther-Oil zum
benetzen der Anschlüsse und Dichtungen verwendet werden. Esther-Oil verträgt sich mit mehreren Kältemitteln. Bei einer Neufüllung nach Reparatur sollte allerdings “PAG-Oil” verwendet werden. Dieses Öl ist speziell für R 134 a.
Falls der Kompressor repariert wird, benötigt er 250 ml Kompressoröl.
Beim Zusammenbau sind alle Schrauben am Kompressor wieder gut fest zu ziehen. (Die Anlage wird nachher mit bis
zu 28 bar abgedrückt).Allerdings Schrauben nicht zu fest anziehen, weil das Gehäuse aus Aluminium besteht.Da die Lag
er und die beiden Kolben in meinem gebrauchten Kompressor augenscheinlich noch in Ordnung waren,
reparierte ich meinen Kompressor. Diese Teile verblieben also im Gehäuse. Falls die Lager Geräusche erzeugen, können diese ohne großen Aufwand gegen neu handelsübliche getauscht werden. Falls an der Güte der
Kolben die geringsten Zweifel bestehen, sollte nach einem anderen Kompressor Ausschau gehalten werden. Gerade die Anlagen aus USA haben meistens hohe Laufleistung hinter sich und die Kolben könnenmeines Wissensnicht als
Ersatzteil bestellt werden. In diesen Zusammenhang muss auch bedacht werden, das Kurbelwelle und Kolben lediglich durch Spritzschmierung der 0,25 Liter Kompressoröls versorgt werden.
Falls die Anlage nachher befüllt ist und sich herausstellt das der Kompressor nicht richtig läuft, wird es noch teurer. (Neues Befüllen, neues Öl usw., usw.)
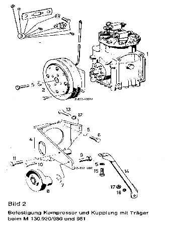
An der linken Seite des Kompressors (Pos.1) sind die elektrischen Anschlussteile (Pos. 3) für die Klemmstelle der Magnetkupplung. (Pos. 2) Hier wird das Kabel vom Verdampfergehäuse bzw. Relais angeklemmt. Die Anschlussteile bestehen aus einer Klemmleiste, ein Blech und zwei Schrauben und kosten bei Mercedes unter der Teile-Nr. 000 586 03 13 ca. 25,00 DM. Falls diese Teile nicht mehr vorhanden sind und der Preis zu hoch erscheint, kann man das Blech leicht selber anfertigen. Die beiden zölligen Schrauben kosten bei Mercedes nur wenig Geld und die Klemmleiste kann von den Automatik-Modellen unter der Teile-Nr. 000 546 65 41 für 5,06 DM bei Mercedes gekauft werden.
Der Kompressor wird mit 4 Schrauben (Pos. 5+6) am Kompressorträger (Pos. 4) befestigt und dieser wird an den Motorblock geschraubt. Dazu muss vorher die Schraube für die Benzinleitungshalterung vorn am Zylinderkopf entfernt werden. Hier muss eine neue Schraube (Pos.11)M12x1,5, die 55 mm lg. ist. (000 960 012 205) eingeschraubt werden. Die vorher demontierte Schraube (Pos.9) kann zum Befestigen des Spannrades (Pos.8) (114 130 00 60, 136,50DM)am Kompressorträger benutzt werden. Das Spannrad gibt es in zwei verschiedenen Versionen: Einmal ist das Kugellager zu wechseln und einmal nicht. Wer eins mit wechselbaren Kugellager erwischt, hat Glück. Das Kugellager ist das einzige Verschleißteil am Spannrad. Außerdem wird stirnseitig an Zylinderkopf noch eine weitere Schraube (Pos.10) M12x25 (000 933 010 035) benötigt. Der Kompressorträger wird noch mit einer dritten Schraube (Pos.12+13) am Ansaugkrümmer befestigt. Hierzu muss das Ableitblech vom Ansaugkrümmer abgeschraubt werden. Wer den passenden Kompressorhalter erwischt hat wird hier keine Probleme erleiden. Ist der Halter jedoch für eine Einspritzversion gedacht wird er feststellen, dass bei dieser Version die Schraube von der Seite eingeschraubt werden muss. Bei der Vergaserversion wird die Schraube aber von vorn eingeschraubt. Ich habe an dieser Stelle ein kleines 5 mm dickes Blech mit einer Bohrung versehen an den Kompressorhalter angeschweißt. (Halter und kleines Blech festschrauben, dann kleines Blech an Halter heften, dann Halter mit kleinem Blech wieder demontieren und gut verschweißen und dann beides wieder einbauen und hoffen, dass die Bohrung in dem kleinen Blech immer noch passt). Auf keinen Fall darf die Diagonalstütze (Pos.14) vom Kompressor zur Motorlagerstrebe vergessen werden. Ich habe diese Stütze erst weggelassen und musste feststellen, dass der Motor ohne diese Stütze sehr rau und laut läuft. Also: Diese Stütze (114 130 00 37 ca. 85,00 DM) unbedingt einbauen. Das gleiche gilt auch für die Schraube am Ansaugkrümmer!
Nun zur Elektromagnetischen Kupplung
Es gibt zwei verschiedene Größen. Einmal mit Durchmesser 152 mm und zwei Riemennuten und zum anderen mit Durchmesser 178 mm und einer Riemennut. Es passen beide an dem York-Kompressor. Bei der 152-er Kupplung wird ein Keilriemen 12,5x1310 benötigt. Bei der 178-er Kupplung wird ein Keilriemen 12,5x1325 benötigt. Der Keilriemen für den Kompressor läuft zwischen Lichtmaschinen- und Servopumpenriemen. Der Riemen 12,5x1325 kostet bei Mercedes 26,00 DM (001 997 15 92).
Die Magnetkupplung sollte eine Stromaufnahme von 2,8 bis 3,5 A haben. Bei einer Stromaufnahme von über 6A ist
die Kupplung auf jeden Fall Schrott. Bei einer Stromaufnahme von mehr als 3,5 A reicht die Kraft des Elektromagneten nicht mehr. Die Kupplung rutscht dann durch und in kürzester Zeit sind die dünnen
Kupplungsbeläge verschmort. Geprüft wird wie folgt:
Magnetkupplung mit dem Gehäuse auf den Minuspol der
Batterie legen und zwischen den Anschlusskabel und dem Pluspol ein Amperemeter in Reihe schalten. Achtung: Selbst defekte Kupplungen klicken beim einschalten noch so laut wie neue!! Die 152er Kupplung
kostet bei Mercedes ca. 470 DM (00 132 15 08). Der Preis für die 178er (000 132 09 08)ist gleich. Die Kupplungen können aber ebenfalls bei Günter Lehmann für kleines Geld erworben werden.
Wer jetzt den (Keil)Riemen auf die Orgel schmeißen will, wird feststellen, dass auf der Riemenscheibe an der Kurbelwelle möglicherweise eine Riemennute fehlt. Der Keilriemen für den Kompressor läuft zwischen Lichtmaschinen- und Servopumpenriemen.
Zurück zur noch fehlenden Riemenscheibe. Da die Möglichkeit eine falsche Riemenscheibe zu erwischen sehr groß ist, habe ich mir diese bei uns in der Firma für ein paar Mark nach obiger Zeichnung anfertigen lassen. Ob diese Riemenscheiben außer für den Motor M180.947 (230S) sonst noch für einen anderen Motor passt weiß ich nicht. Die Riemenscheibe 108 466 04 15 für 86,50 DM passt für die Motoren M130.920/980/981.Thomas Distler hat eine ganze Kiste voll mit Riemenscheiben in Ornbau. Wer sich langes hin- und herschicken ersparen will sollte seine Riemenscheiben demontieren und eine Skizze der Scheibe für Thomas Distler anfertigen. Ist dann die richtige Riemenscheibe vorhanden, wird sie einfach gegen die vorhandene ausgetauscht.
Jetzt kann der Keilriemen aufgelegt werden, der ordentlich gespannt werden muss.
Albert Gerold
